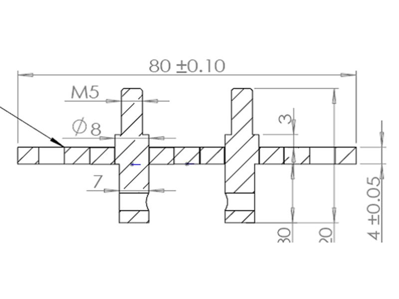
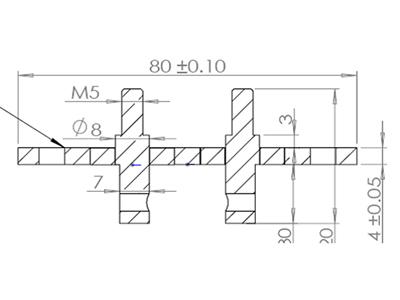
Aplicaciones:
Este terminal o borne para conector de potencia eléctrico se utiliza principalmente en equipos de alta potencia que requieren hermeticidad, aislamiento eléctrico y resistencia a altas presiones mientras realiza la conexión eléctrica.
Materiales:
Cuerpo: C45#
Pin:C45#
Vidrio: Elan #48
Tratamiento de la superficie:
Usamos la técnica de galvanoplastia ecológica, que es un niquelado no electrolítico con un espesor de 3-5 μm. La capa de níquel no contiene sustancias peligrosas como mercurio, plomo, cadmio o cromo, cumpliendo así con los estándares de la Unión Europea. Además, esta técnica pasó la prueba ambiental de la SGS.
Productos relacionados
borne para conector de potencia, vidrio para sello metálico, sellos herméticos
SHENZHEN SOUTH SOURCE CORE ELECTRIC CO.,LTD
Dirección: 6F8Block Huafeng hi-tech park Tangwei Fuhai street Bao'an district Shenzhen
Contacto: Li Song
Numero de contacto: +86-13699892812
Tel.: +86-755-29918396
Fax: +86-755-29919116
Correo electrónico: ssc@sscore.net
WhatsApp: +86-13699892812
