Aplicaciones:
Esta tapa, terminal o borne sellante se utiliza principalmente en los mini compresores que requieren hermeticidad, aislamiento eléctrico y resistencia a la alta presión durante las conexiones eléctricas. Es adecuado para el mini compresor con el terminal y el compresor sinterizados como un todo.
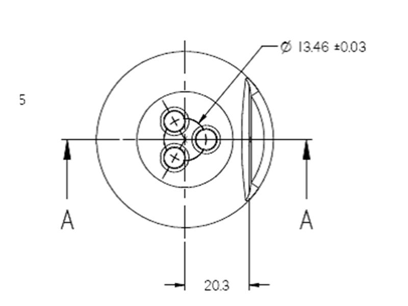
Parámetros:
Diámetro externo: Φ57.26mm
Altura: 24.4mm
Pin: Φ2.3mm
Materiales:
Cuerpo: SPCC2.0mm
Vidrio: ELAN #48
Pin: 4J28/SUH 446
Tratamiento de la superficie:
Aplicamos la técnica de galvanoplastia ecológica, que es un niquelado no electrolítico con un espesor de 3-5 μm. La capa de níquel no contiene sustancias peligrosas como mercurio, plomo, cadmio o cromo, cumpliendo así con los estándares de la Unión Europea. Igualmente, esta técnica pasó la prueba ambiental de la SGS.
Productos relacionados
Vidrio para sello metálico, sello hermético
SHENZHEN SOUTH SOURCE CORE ELECTRIC CO.,LTD
Dirección: 6F8Block Huafeng hi-tech park Tangwei Fuhai street Bao'an district Shenzhen
Contacto: Li Song
Numero de contacto: +86-13699892812
Tel.: +86-755-29918396
Fax: +86-755-29919116
Correo electrónico: ssc@sscore.net
WhatsApp: +86-13699892812
