Aplicaciones:
Este terminal o borne hermético 12V - 24V se usa principalmente en compresores eléctricos de 12V - 24 V que requieren hermeticidad, aislamiento eléctrico y resistencia a altas presiones mientras establecen conexiones eléctricas.
Materiales:
Cuerpo: C45
Pin: C45 y 446SS núcleo de cobre, pin de alta potencia.
Cristal: vidrio fundido a alta temperatura
Cerámica: #99
Proporcionamos servicio personalizado de varios tipos de terminales herméticos de acuerdo con sus requerimientos. A continuación, describimos las características de nuestro borne hermético:
- Buen aislante: prueba estática a 500 VDC, aislamiento superior a 5000 MΩ
- Hermeticidad: permanece hermético a 2.5MPa
- Resistencia a altas tensiones: más de 2000 VCA, fuga de corriente inferior a 0,5 mA
- Resistencia a la corrosión: con referencia al estándar de niebla GB / T2423.17, sobrepasa el nivel 8
- Resistente a varios refrigerantes: R114a, R410a, R22 y CO2
- Resistente al choque de calor y de frío: funciona con temperaturas de -40 grados a 300 grados Celsius
Proceso de Sinterización
- 1.Recepción de los materiales
- 2.Inspección de entrada
- 3.Grabado con aguja de acero
- 4.Eliminación de aceite de la tapa metálica
- 5.Montaje y sinterización
- 6.Inspección de hermeticidad
- 7.Recubrimiento químico con níquel
- 8.Soldadura
- 9.Proceso de silicio
- 10.Inspección de las propiedades eléctricas
- 11.Inspección física
- 12.Inspección de control de calidad
- 13.Embalaje
- 14.Envío
Tratamiento de la superficie:
Empleamos la técnica de galvanoplastia amigable con el medio ambiente, que es un niquelado no electrolítico con un espesor de 3-5 μm. La capa de níquel no contiene sustancias peligrosas como mercurio, plomo, cadmio o cromo, cumpliendo así con los estándares de la Unión Europea. Además, esta técnica pasó la prueba ambiental de la SGS.
- Capacidad de resistencia a la corrosión: después de una prueba de 12 horas con 5% de rocío salino, el área oxidada no debe exceder el 5% del área total de acuerdo con la norma de ISO 9227-2017.
- Prueba salina estándar: GB/T2423.17, IEC60068-2-11, ISO4628-3
Las tablas a continuación muestran todos los modelos del terminal hermético 24V para compresor de aire acondicionado de 24 V que hemos fabricado previamente.
Terminal hermético 12V - 24V SC-4-84 para compresor de aire acondicionado de autos
| Modelo | Espesor del cuerpo | Distancia entre los pines | Diámetro externo del pin | Longitud del pin | Distancia entre los orificios | Conexión de la terminal del motor | Conexión de la terminal del controlador | Tratamiento de superficie | Corriente máxima |
| SC-4-84 | 5mm | 15mm | Φ5.5mm | 42.5mm | 62mm | Rosca M5 | Rosca M5 | Niquelado no electrolítico | 60A |
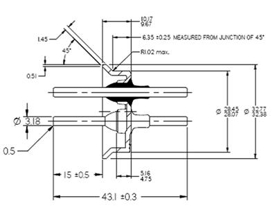
Terminal hermético 12V - 24V SC-1-GY00C para compresor de aire acondicionado de autos
| Modelo | Espesor del cuerpo | Distancia entre los pines | Diámetro externo del pin | Longitud del pin | Distancia entre los orificios | Conexión de la terminal del motor | Conexión de la terminal del controlador | Tratamiento de superficie | Corriente máxima |
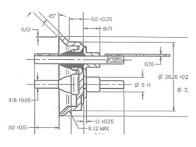
| SC-1-GY00C | 1.45mm | 11.66mm | Φ3.18mm | 43.1mm | Anillo de ajuste | Inserción directa | Inserción directa | Niquelado no electrolítico | 60A |
Terminal hermético 12V - 24V SC-4-27C para compresor de aire acondicionado de autos
| Modelo | Espesor del cuerpo | Distancia entre los pines | Diámetro externo del pin | Longitud del pin | Distancia entre los orificios | Conexión de la terminal del motor | Conexión de la terminal del controlador | Tratamiento de superficie | Corriente máxima |
| SC-4-27C | 4.75mm | 14mm | Φ3.18mm | 32.5mm | Anillo de ajuste | Inserción directa | Inserción directa | Niquelado no electrolítico | 60A |
Terminal hermético 12V - 24V SC-4-85 para compresor de aire acondicionado de autos
| Modelo | Espesor del cuerpo | Distancia entre los pines | Diámetro externo del pin | Longitud del pin | Distancia entre los orificios | Conexión de la terminal del motor | Conexión de la terminal del controlador | Tratamiento de superficie | Corriente máxima |
| SC-4-85 | 4.5mm | 12mm | Φ5.0mm | 43mm | 51mm | Inserción directa | Rosca M5 | Niquelado no electrolítico | 60A |
Terminal hermético 12V - 24V SC-4-96104 para compresor de aire acondicionado de autos
| Modelo | Espesor del cuerpo | Distancia entre los pines | Diámetro externo del pin | Longitud del pin | Distancia entre los orificios | Conexión de la terminal del motor | Conexión de la terminal del controlador | Tratamiento de superficie | Corriente máxima |
| SC-4-96104 | 4mm | 12mm | Φ5.0mm | 52mm | 51mm | Rosca M5 | Rosca M5 | Niquelado no electrolítico | 60A |
Terminal hermético 12V - 24V SC-1-635I para compresor de aire acondicionado de autos
| Modelo | Espesor del cuerpo | Distancia entre los pines | Diámetro externo del pin | Longitud del pin | Distancia entre los orificios | Conexión de la terminal del motor | Conexión de la terminal del controlador | Tratamiento de superficie | Corriente máxima |
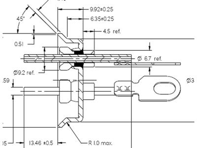
| SC-1-635I | 1.45mm | 15.12mm | Φ3.18mm | 43.1mm | Soldada | Inserción directa | Banda bimetálica | Niquelado no electrolítico | 60A |
Terminal hermético 12V - 24V SC-4-45 para compresor de aire acondicionado de autos
| Modelo | Espesor del cuerpo | Distancia entre los pines | Diámetro externo del pin | Longitud del pin | Distancia entre los orificios | Conexión de la terminal del motor | Conexión de la terminal del controlador | Tratamiento de superficie | Corriente máxima |
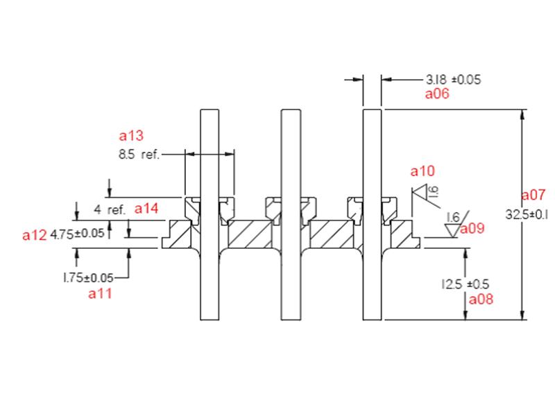
| SC-4-45 | 4.75mm | 14mm | Φ5.0mm | 32.5mm | Anillo de ajuste | Rosca M5 | Rosca M5 | Niquelado no electrolítico | 60A |
Terminal hermético 12V - 24V SC-1-78SC para compresor de aire acondicionado de autos
| Modelo | Espesor del cuerpo | Distancia entre los pines | Diámetro externo del pin | Longitud del pin | Distancia entre los orificios | Conexión de la terminal del motor | Conexión de la terminal del controlador | Tratamiento de superficie | Corriente máxima |
| SC-1-78SC | 1.45mm | 11.66mm | Φ3.18mm | 40mm | Soldada | Inserción directa | Banda bimetálica | Niquelado no electrolítico | 60A |
Terminal hermético 12V - 24V SC-4-HQ00C para compresor de aire acondicionado de autos
| Modelo | Espesor del cuerpo | Distancia entre los pines | Diámetro externo del pin | Longitud del pin | Distancia entre los orificios | Conexión de la terminal del motor | Conexión de la terminal del controlador | Tratamiento de superficie | Corriente máxima |
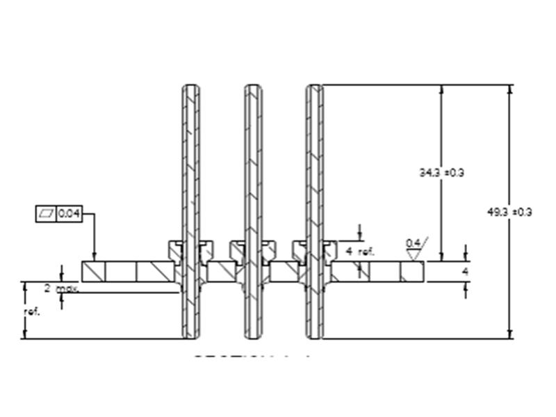
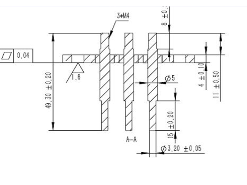
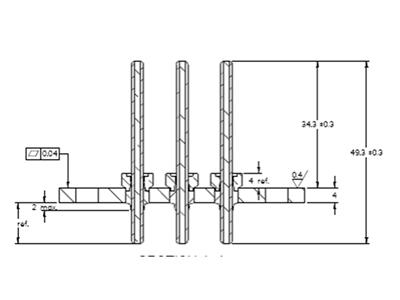
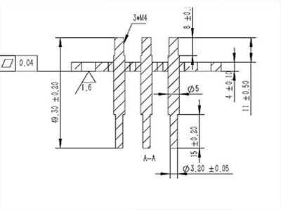
| SC-4-HQ00C | 4.0mm | 12mm | Φ3.18mm | 49.3mm | 51mm | Inserción directa | Inserción directa | Niquelado no electrolítico | 60A |
Terminal hermético 12V - 24V SC-4-46M5 para compresor de aire acondicionado de autos
| Modelo | Espesor del cuerpo | Distancia entre los pines | Diámetro externo del pin | Longitud del pin | Distancia entre los orificios | Conexión de la terminal del motor | Conexión de la terminal del controlador | Tratamiento de superficie | Corriente máxima |
| SC-4-46M5 | 4.0mm | 12mm | Φ5.0mm | 42.5mm | 53mm | Rosca M5 | Rosca M5 | Niquelado no electrolítico | 60A |
Terminal hermético 12V - 24V SC-4-3.2M4 para compresor de aire acondicionado de autos
| Modelo | Espesor del cuerpo | Distancia entre los pines | Diámetro externo del pin | Longitud del pin | Distancia entre los orificios | Conexión de la terminal del motor | Conexión de la terminal del controlador | Tratamiento de superficie | Corriente máxima |
| SC-4-3.2M4 | 4.0mm | 12mm | Φ5.0mm | 49.3mm | 51mm | Inserción directa 3.2 | Rosca M4 | Niquelado no electrolítico | 60A |
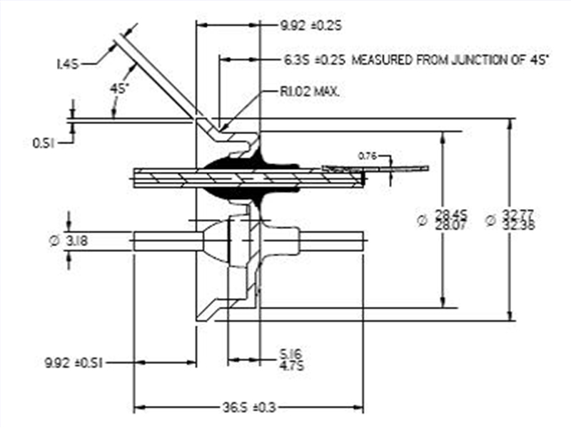
Terminal hermético 12V - 24V SC-1-70C para compresor de aire acondicionado de autos
| Modelo | Espesor del cuerpo | Distancia entre los pines | Diámetro externo del pin | Longitud del pin | Distancia entre los orificios | Conexión de la terminal del motor | Conexión de la terminal del controlador | Tratamiento de superficie | Corriente máxima |
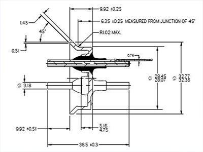
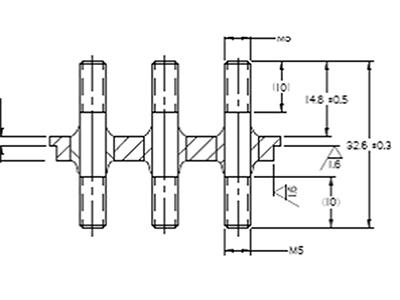
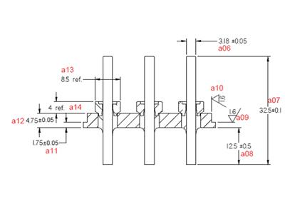
| SC-1-70C | 1.5mm | 11.66mm | Φ3.18 mm | 36.5mm | | Inserción directa 3.2 | Conexión por cables | Niquelado no electrolítico | 60A |
Productos relacionados
Terminal hermético sellado, conector hermético, sello para compresor, borne hermético