Aplicaciones:
Esta placa de bornes semi-hermética para aire acondicionado comercial es usada sobre todo en equipos de enfriamiento grandes, que requieren una alta capacidad de transmisión de corriente, fuerte resistencia al voltaje y a la tensión mecánica y al mismo tiempo establecer una buena conexión eléctrica.
Materiales:
Placa metálica: C45
Pin: C45/ 446SS/ 4J28
Vidrio: vidrio fundido a alta temperatura
Nuestra placa de bornes hermética presenta las siguientes características:
- Buen aislamiento: prueba estática a 500 VDC, aislamiento superior a 5000 MΩ
- Hermeticidad: se mantiene hermética a 2.5MPa
- Resistencia a la altas tensiones: más de 2000 VCA, fuga de corriente inferior a 0,5 mA
- Resistencia a la corrosión: en relación al estándar de niebla salina GB / T2423.17, sobrepasa el nivel 8
- Resistente a varios refrigerantes: R114a, R410a, R22 y CO2
- Resistente al choque de calor y de frío: funciona con temperaturas de -40 grados Celsius a 300 grados Celsius
Proceso de sinterización
- 1.Recepción de los materiales
- 2.Inspección de entrada
- 3.Grabado con aguja de acero
- 4.Eliminación de aceite de la tapa metálica
- 5.Montaje y sinterización
- 6.Inspección de hermeticidad
- 7.Recubrimiento químico con níquel
- 8.Soldadura
- 9.Proceso de silicio
- 10.Inspección de las propiedades eléctricas
- 11.Inspección física
- 12.Inspección de control de calidad
- 13.Embalaje
- 14.Envío
Tratamiento de la superficie:
Empleamos la técnica de galvanoplastia ecológica, que es un niquelado no electrolítico con un espesor de 3-5 μm. La capa de níquel no contiene sustancias peligrosas como mercurio, plomo, cadmio o cromo, cumpliendo así con los estándares de la Unión Europea. Además, esta técnica pasó la prueba ambiental de la SGS.
- Capacidad de resistencia a la corrosión: después de una prueba de 12 horas con 5% de rocío salino, el área oxidada no debe exceder el 5% del área total de conformidad con la norma de ISO 9227-2017.
- Prueba salina estándar: GB/T2423.17, IEC60068-2-11, ISO4628-3
Las tablas a continuación muestran todos los modelos de la placa de bornes semihermética para aire acondicionado comercial que hemos fabricado
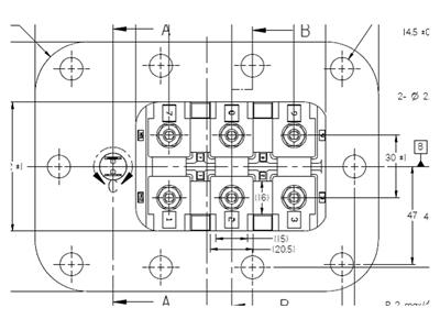
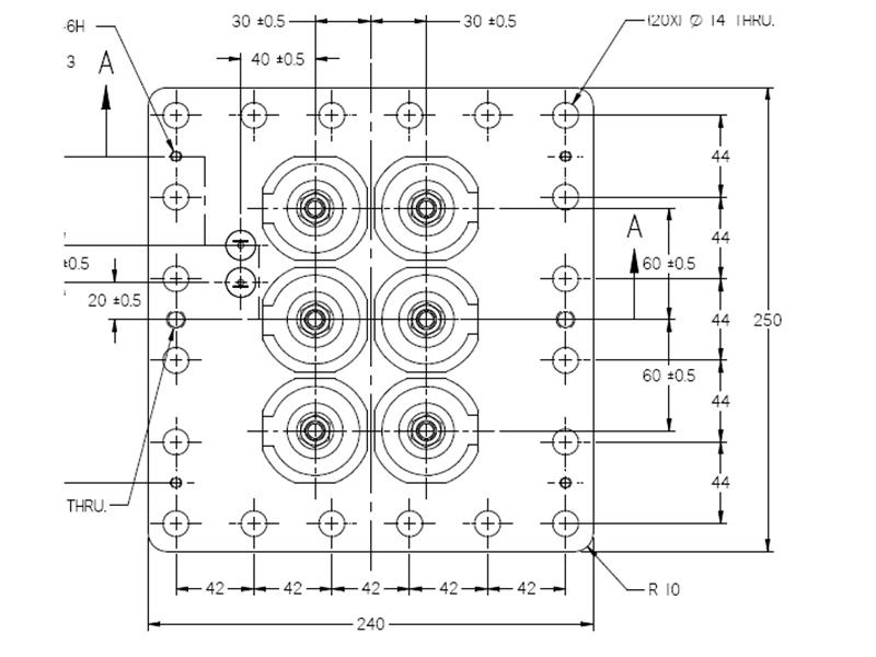
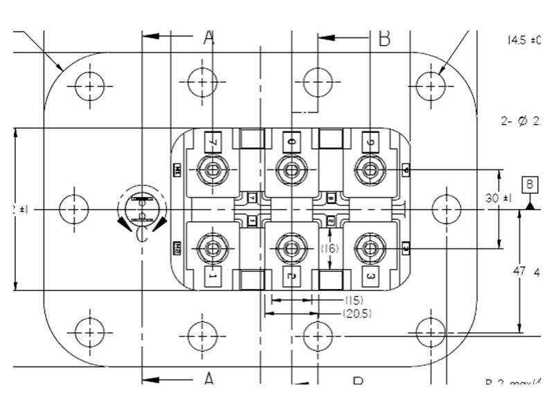
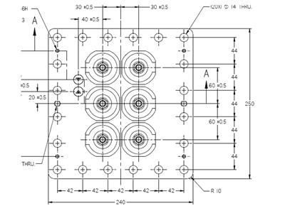
Placa de bornes semi-hermética para aire acondicionado comercial SCP-1
| Modelo | Espesor del cuerpo | Distancia entre los pines | Especificaciones del pin | Longitud del pin | Tamaño externo: mm | Tratamiento de superficie | Corriente máxima |
| SCP-1 | 24mm | 60mm | 2*M10-Φ10 | 94mm | 250*240*24 | Niquelado no electrolítico | 270A |
Placa de bornes semi-hermética para aire acondicionado comercial SC-4-58
| Modelo | Espesor del cuerpo | Distancia entre los pines | Especificaciones del pin | Longitud del pin | Tamaño externo: mm | Tratamiento de superficie | Corriente máxima |
| SC-4-58 | 23mm | 48mm | 2*M12-Φ14 | 115mm | 250*160*23 | Niquelado no electrolítico | 300A |
Placa de bornes semi-hermética para aire acondicionado comercial SC-4-66
| Modelo | Espesor del cuerpo | Distancia entre los pines | Especificaciones del pin | Longitud del pin | Tamaño externo: mm | Tratamiento de superficie | Corriente máxima |
| SC-4-66 | 12mm | 30-33mm | M8-M6-Φ8 | 68mm | 170*130*12 | Niquelado no electrolítico | 200A |
Placa de bornes semi-hermética para aire acondicionado comercial SC-4-75
| Modelo | Espesor del cuerpo | Distancia entre los pines | Especificaciones del pin | Longitud del pin | Tamaño externo: mm | Tratamiento de superficie | Corriente máxima |
| SC-4-75 | 25mm | 49-80mm | 2*M10-Φ16 | 123.5mm | 322*253*25 | Niquelado no electrolítico | 270A |
Placa de bornes semi-hermética para aire acondicionado comercial SC-4-20
| Modelo | Espesor del cuerpo | Distancia entre los pines | Especificaciones del pin | Longitud del pin | Tamaño externo: mm | Tratamiento de superficie | Corriente máxima |
| SC-4-20 | 12mm | 30mm | M6-M5-Φ8 | 70mm | 165*120*12 | Niquelado no electrolítico | 170A |
Placa de bornes semi-hermética para aire acondicionado comercial SC-4-60
| Modelo | Espesor del cuerpo | Distancia entre los pines | Especificaciones del pin | Longitud del pin | Tamaño externo: mm | Tratamiento de superficie | Corriente máxima |
| SC-4-60 | 6.5mm | 5mm | Φ3.2mm | 36.5mm | 63*63*6.5 | Niquelado no electrolítico | 30A |
Placa de bornes semi-hermética para aire acondicionado comercial SC-4-47
| Modelo | Espesor del cuerpo | Distancia entre los pines | Especificaciones del pin | Longitud del pin | Tamaño externo: mm | Tratamiento de superficie | Corriente máxima |
| SC-4-47 | 6.5mm | 3.6mm | Φ3.2mm | 36.5mm | Φ46*6.5 | Niquelado no electrolítico | 30A |
Placa de bornes semi-hermética para aire acondicionado comercial SC-5-14
| Modelo | Especificaciones del pin | Longitud del pin | Tratamiento de superficie | Corriente máxima |
| SC-5-14 | 1/2-13UNC 3/8-16UNC | 150mm | Cobre | 200A |
Placa de bornes semi-hermética para aire acondicionado comercial SC-4-17
| Modelo | Espesor del cuerpo | Distancia entre los pines | Especificaciones del pin | Longitud del pin | Tamaño externo: mm | Tratamiento de superficie | Corriente máxima |
| SC-4-17 | 7.2mm | 4.2mm | Φ3.2mm | 39mm | 52*52*7.2 | Niquelado no electrolítico | 30A |
Productos relacionados
Sello semihermético, vidrio para sello metálico, sello para compresor comercial