Aplicaciones:
Este borne hermético 72V – 810V para compresor de aire acondicionado de automóviles se usa principalmente en compresores eléctricos de 72V – 810V que requieren hermeticidad, aislamiento eléctrico y resistencia a altas presiones mientras establecen conexiones eléctricas.
Materiales:
Cuerpo: C45, SAPH440, Q345B
Pin: 446SS 4J28
Cristal: vidrio fundido a alta temperatura
Cerámica: #99
Proporcionamos servicio personalizado de varios tipos de terminales herméticos de acuerdo con sus requerimientos. A continuación, describimos las características de nuestro borne hermético:
- Buen aislante: prueba estática a 500 VDC, aislamiento superior a 5000 MΩ
- Hermeticidad: permanece hermético a 2.5MPa
- Resistencia a altas tensiones: más de 2000 VCA, fuga de corriente inferior a 0,5 mA
- Resistencia a la corrosión: con referencia al estándar de niebla GB / T2423.17, supera el nivel 8
- Resistente a varios refrigerantes: R114a, R410a, R22 y CO2
- Resistente al choque de calor y de frío: funciona con temperaturas de -40 grados a 300 grados Celsius
Proceso de Sinterización
- 1.Recepción de los materiales
- 2.Inspección de entrada
- 3.Grabado con aguja de acero
- 4.Eliminación de aceite de la tapa metálica
- 5.Montaje y sinterización
- 6.Inspección de hermeticidad
- 7.Recubrimiento químico con níquel
- 8.Soldadura
- 9.Proceso de silicio
- 10.Inspección de las propiedades eléctricas
- 11.Inspección física
- 12.Inspección de control de calidad
- 13.Embalaje
- 14.Envío
Tratamiento de la superficie:
Usamos la técnica de galvanoplastia ecológica, que es un niquelado no electrolítico con un espesor de 3-5 μm. La capa de níquel no contiene sustancias peligrosas como mercurio, plomo, cadmio o cromo, cumpliendo así con los estándares de la Unión Europea. Además, esta técnica pasó la prueba ambiental de la SGS.
- Capacidad de resistencia a la corrosión: después de una prueba de 12 horas con 5% de rocío salino, el área oxidada no debe exceder el 5% del área total de acuerdo con la norma de ISO 9227-2017.
- Prueba salina estándar: GB/T2423.17, IEC60068-2-11, ISO4628-3
Las tablas a continuación muestran todos los modelos del Terminal hermético 72-810V para compresor de aire acondicionado que que hemos fabricado hasta ahora.
Terminal hermético 72V-810V, SC-4-39 para compresor de aire acondicionado de automóviles
| Modelo | Espesor del cuerpo | Distancia entre los pines | Diámetro externo del pin | Longitud del pin | Distancia entre los orificios | Conexión de la terminal del motor | Conexión de la terminal del controlador | Tratamiento de superficie | Corriente máxima |
| SC-4-39 | 5.4mm | 15mm | Φ3.18mm | 35.9mm | Anillo de ajuste | Platina de inserción 6.4 | Inserción directa | Niquelado no electrolítico | 30A |
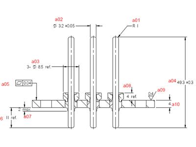
Terminal hermético 76V-810V, SC-4-HQ00 para compresor de aire acondicionado de automóviles
| Modelo | Espesor del cuerpo | Distancia entre los pines | Diámetro externo del pin | Longitud del pin | Distancia entre los orificios | Conexión de la terminal del motor | Conexión de la terminal del controlador | Tratamiento de superficie | Corriente máxima |
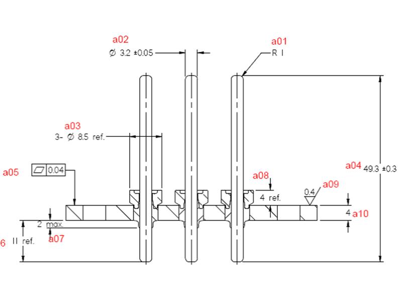
| SC-4-HQ00 | 4.0mm | 12mm | Φ3.18mm | 49.3mm | 51mm | Inserción directa | Inserción directa | Niquelado no electrolítico | 30A |
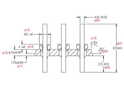
Terminal hermético 72V-810V, SC-4-27 para compresor de aire acondicionado de automóviles
| Modelo | Espesor del cuerpo | Distancia entre los pines | Diámetro externo del pin | Longitud del pin | Distancia entre los orificios | Conexión de la terminal del motor | Conexión de la terminal del controlador | Tratamiento de superficie | Corriente máxima |
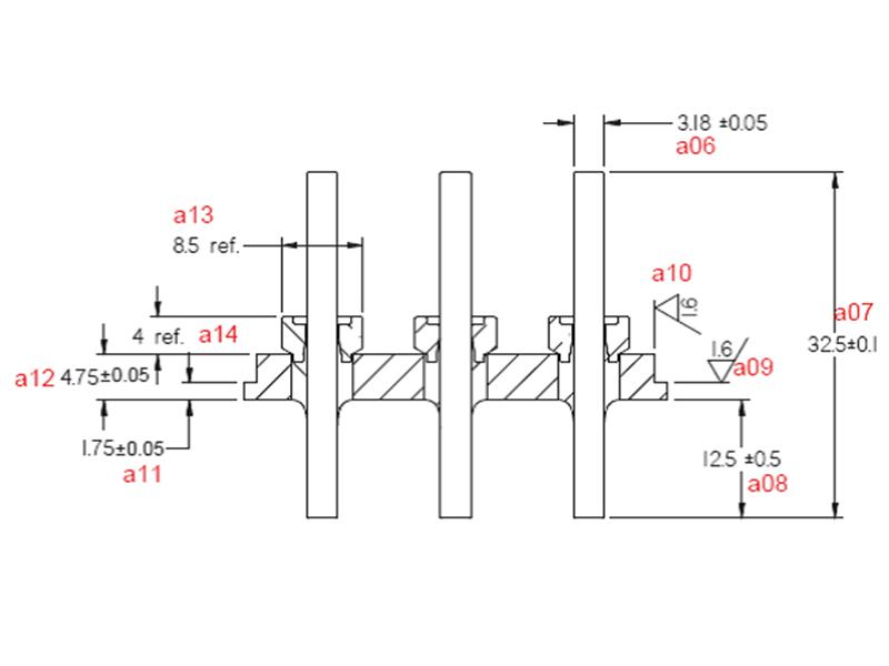
| SC-4-27 | 4.75mm | 14mm | Φ3.18mm | 32.5mm | Anillo de ajuste | Inserción directa | Inserción directa | Niquelado no electrolítico | 30A |
Terminal hermético 72V-810V, SC-4-24 para compresor de aire acondicionado de automóviles
| Modelo | Espesor del cuerpo | Distancia entre los pines | Diámetro externo del pin | Longitud del pin | Distancia entre los orificios | Conexión de la terminal del motor | Conexión de la terminal del controlador | Tratamiento de superficie | Corriente máxima |
| SC-4-24 | 4.5mm | 15mm | Φ3.18mm | 31.2mm | 57.6mm | Platina de inserción 6.4 | 4.0 plate insertion | Niquelado no electrolítico | 30A |
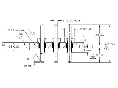
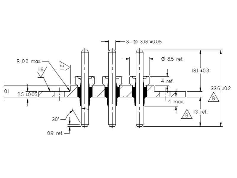
Terminal hermético 72V-810V, SC-4-36 para compresor de aire acondicionado de automóviles
| Modelo | Espesor del cuerpo | Distancia entre los pines | Diámetro externo del pin | Longitud del pin | Distancia entre los orificios | Conexión de la terminal del motor | Conexión de la terminal del controlador | Tratamiento de superficie | Corriente máxima |
| SC-4-36 | 5.0mm | 12mm | Φ3.18mm | 33.6mm | 46.5mm | Inserción directa | Inserción directa | Niquelado no electrolítico | 30A |
Terminal hermético 72V-810V, SC-4-80 para compresor de aire acondicionado de automóviles
| Modelo | Espesor del cuerpo | Distancia entre los pines | Diámetro externo del pin | Longitud del pin | Distancia entre los orificios | Conexión de la terminal del motor | Conexión de la terminal del controlador | Tratamiento de superficie | Corriente máxima |
| SC-4-80 | 4.8mm | 15mm | Φ3.18mm | 29.78mm | Anillo de ajuste | Platina de inserción 6.4 | Inserción directa | Niquelado no electrolítico | 30A |
Terminal hermético 72V-810V, SC-4-71 para compresor de aire acondicionado de automóviles
| Modelo | Espesor del cuerpo | Distancia entre los pines | Diámetro externo del pin | Longitud del pin | Distancia entre los orificios | Conexión de la terminal del motor | Conexión de la terminal del controlador | Tratamiento de superficie | Corriente máxima |
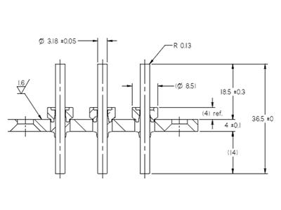
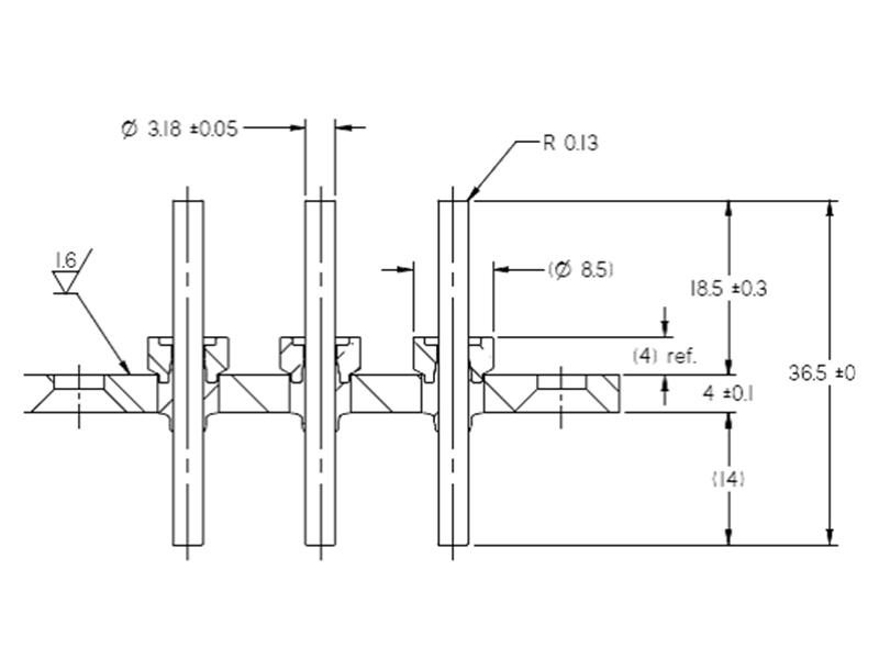
| SC-4-71 | 4.0mm | 14mm | Φ3.18mm | 36.5mm | Anillo de ajuste | Inserción directa | Inserción directa | Niquelado no electrolítico | 30A |
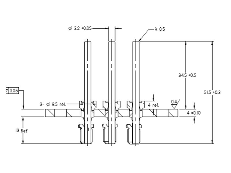
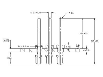
Terminal hermético 72V-810V, SC-4-TQ00B para compresor de aire acondicionado de automóviles
| Modelo | Espesor del cuerpo | Distancia entre los pines | Diámetro externo del pin | Longitud del pin | Distancia entre los orificios | Conexión de la terminal del motor | Conexión de la terminal del controlador | Tratamiento de superficie | Corriente máxima |
| SC-4-TQ00B | 4.0mm | 12mm | Φ3.18mm | 51.5mm | 51mm | Inserción directa | Platina de inserción 6.4 | Niquelado no electrolítico | 30A |
Productos relacionados
Terminal hermético sellado, Conector hermético, sello para compresor, vidrio para sello metálico