Materiales:
Cuerpo: SPCC
Pin: 446SS 4J28
Vidrio: vidrio fundido a alta temperatura
Tratamiento de la superficie:
Aplicamos la técnica de galvanoplastia ecológica, que es un niquelado no electrolítico con un espesor de 3-5 μm. La capa de níquel no contiene sustancias peligrosas como mercurio, plomo, cadmio o cromo, cumpliendo así con los estándares de la Unión Europea. Por otra parte, esta técnica pasó la prueba ambiental de la SGS.
Las tablas a continuación muestran todos los modelos del terminal hermético para aire acondicionado doméstico y terminal para compresor de refrigeración que hemos fabricado.
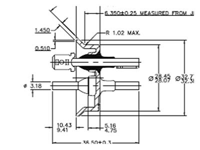
| Modelo | Espesor del cuerpo | Distancia entre los pines | Diámetro externo del pin | Longitud del pin | Distancia entre los orificios | Conexión de la terminal del motor | Conexión de la terminal del controlador | Tratamiento de superficie | Corriente máxima |
| SC-1-70E | 1.5mm | 11.66mm | Φ3.18mm | 36.5mm | Anillo de ajuste o soldado | Platina de inserción 6.4 | Platina de inserción 6.4 | Niquelado no electrolítico | 30A |
| Modelo | Espesor del cuerpo | Distancia entre los pines | Diámetro externo del pin | Longitud del pin | Distancia entre los orificios | Conexión de la terminal del motor | Conexión de la terminal del controlador | Tratamiento de superficie | Corriente máxima |
| SCH-1-70E | 2.0mm | 11.66mm | Φ3.18mm | 36.5mm | Anillo de ajuste o soldado | Platina de inserción 6.4 | Platina de inserción 6.4 | Niquelado no electrolítico | 30A |
| Modelo | Espesor del cuerpo | Distancia entre los pines | Diámetro externo del pin | Longitud del pin | Distancia entre los orificios | Conexión de la terminal del motor | Conexión de la terminal del controlador | Tratamiento de superficie | Corriente máxima |
| SCH-1-669 | 13mm | 11.66mm | Φ3.18mm | 40.5mm | Anillo de ajuste o soldado | Platina de inserción 6.4 | Platina de inserción 6.4 | Niquelado no electrolítico | 30A |
| Modelo | Espesor del cuerpo | Distancia entre los pines | Diámetro externo del pin | Longitud del pin | Distancia entre los orificios | Conexión de la terminal del motor | Conexión de la terminal del controlador | Tratamiento de superficie | Corriente máxima |
| SC-2-37 | 1.5mm | 11.66mm | Φ2.3mm | 32.5mm | Anillo de ajuste o soldado | Inserción directa | Inserción directa | Niquelado no electrolítico | 20A |
| Modelo | Espesor del cuerpo | Distancia entre los pines | Diámetro externo del pin | Longitud del pin | Distancia entre los orificios | Conexión de la terminal del motor | Conexión de la terminal del controlador | Tratamiento de superficie | Corriente máxima |
| SC-2-37L | 1.5mm | 11.66mm | Φ2.3mm | 32.54mm | Anillo de ajuste o soldado | Inserción directa | Platina de inserción 6.4 | Niquelado no electrolítico | 20A |
Productos relacionados
Sello para aire acondicionado, sello para compresor, conector hermético, vidrio para sello metálico
SHENZHEN SOUTH SOURCE CORE ELECTRIC CO.,LTD
Dirección: 6F8Block Huafeng hi-tech park Tangwei Fuhai street Bao'an district Shenzhen
Contacto: Li Song
Numero de contacto: +86-13699892812
Tel.: +86-755-29918396
Fax: +86-755-29919116
Correo electrónico: ssc@sscore.net
WhatsApp: +86-13699892812
